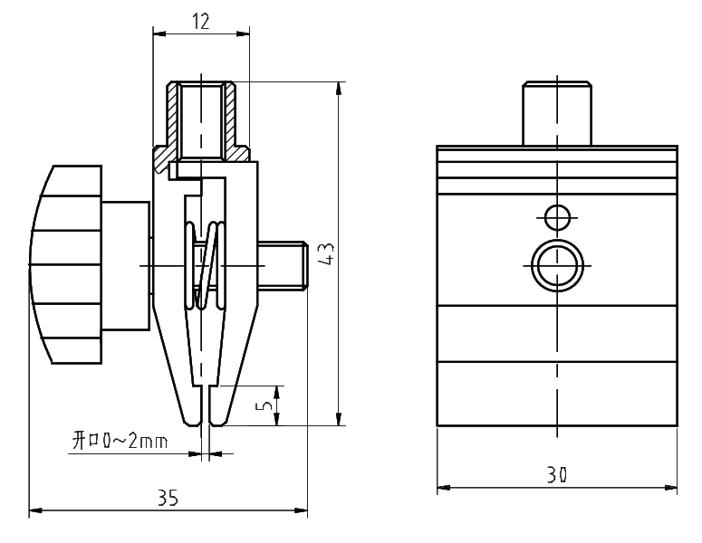
SJ-012剥离夹具

联系我们

所属分类

  • 产品详情

一、适用范围:

橡胶、各种线缆、纸、各种电器元件、塑料薄膜等材料的拉力、破坏力、插拨力的测试。

二、参数:

名称:偏心轮夹具

负荷:500N

开口尺寸:2.5mm

微信
咨询

加我微信
加我微信