- 产品详情
一、适用范围:
橡胶、各种线缆、纸、各种电器元件、塑料薄膜等材料的拉力、破坏力、插拨力的测试。
二、参数:
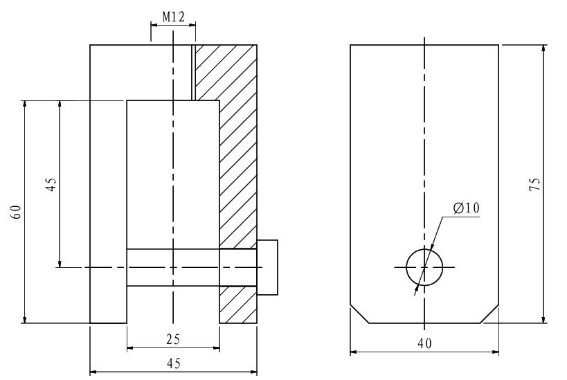
名称:U型夹具
负荷:5KN、10KN、20KN、50KN、
U型尺寸:18mm、22mm、26mm
插销直径:11.5mm、11.5mm、19.5mm
一、适用范围:
橡胶、各种线缆、纸、各种电器元件、塑料薄膜等材料的拉力、破坏力、插拨力的测试。
二、参数:
名称:U型夹具
负荷:5KN、10KN、20KN、50KN、
U型尺寸:18mm、22mm、26mm
插销直径:11.5mm、11.5mm、19.5mm