- 产品详情
一、用途
数显式推拉力计类是一种小型简便多功能高精度的推力、拉力测试仪器,广泛应用于电子电器、建筑五金、轻工纺织、汽车配件、打火机等点火装置、消防器材、制笔、制锁、渔具、化工、动力机械、科研机构等行业的推拉负荷、插拔力测试、破坏性试验等。数字显示分辨率高,采样速度高,使用方便,为新一代高效高精度的推拉力测试仪器。
二、产品特点:
◆高精度高分辨率:精度0.5级,读数达0.001N;
◆6种测量模式:标准测试模式、推拉峰值模式、推力峰值模式、拉力峰值模式、外接节点断通模式、外接节电通断模式,提高测试效率;
◆ 三种显示方式可供选择:实时、峰值、自动峰值;
◆ 三种单位转换:N(牛顿)、kg(公斤)、lb(磅);
◆ 峰值保持功能:可抓取测试过程中的峰值;
◆ 比较功能:上下限偏差自由设定,液晶显示屏分别以“MAX”“MIN”显示及峰鸣器自动报警;
◆ 信号输出功能:可以设定停止值,当测量时的力值大于停止值时,输出信号;
◆ 自动峰值功能:保持显示峰值2秒后自动解除;
◆ 自动关机功能:10分钟无操作自动关机;
◆ 计算功能:连接电脑,可自动计算每次测试的数值等;
◆LCD液晶屏可翻转显示:按“翻转”键可翻转显示屏180度;
◆ 实时分析功能:可连接电脑,测试时在电脑上同步显示测试曲线做各类分析。
规格参数:
型号规格
SH-50
SH-100
SH-200
SH-300
SH-500
负荷
N
50
100
200
300
500
Kg
5
10
20
30
50
lb
11
22
45
65
110
分度值
N
0.01
0.1
Kg
0.001
0.01
lb
0.001
0.01
传感器结构
S型外置式
精度
±1%
电源
充电电池镍氢电池组
电池使用时间
约10小时
工作温度
5-35℃
净重
约450g+传感器重量
型号规格
SH-1K
SH-2K
SH-3K
SH-5K
SH-10K
SH-20K
SH-30K
SH-50K
SH-100K
负荷
N
1000
2000
3000
5000
10K
20K
30K
50K
100K
Kg
100
200
300
500
1000
2000
3000
5000
10K
lb
220
440
660
1100
2200
4400
6600
11000
22000
分度值
N
1
0.01K
1K
Kg
0.1
0.001K
0.1K
lb
0.1
0.001K
0.1K
传感器结构
S型外置式
精度
±1%
电源
充电电池镍氢电池组
电池使用时间
约10小时
工作温度
5-35℃
净重
约450g+传感器重量
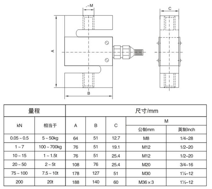
尺寸图:
